| توافر الحالة: | |||||||||
|---|---|---|---|---|---|---|---|---|---|
| الكمية: | |||||||||
| تُستخدم هذه المنافيخ ذات الدقة المضاعفة في صمامات الأنابيب وأدوات الاختبار وأنظمة التحكم حيث تكون الدقة والمرونة والأداء المانع للتسرب أمرًا مهمًا حقًا. وهي تعمل كأختام ضغط صغيرة ومرنة أو ممتصات للحركة، مما يساعد على نقل أو توازن أو عزل تغيرات الضغط في الأنظمة الحساسة. يقوم مصنعنا بإنتاج مجموعات منفاخ معدني لسنوات، مع التركيز على الأداء الموثوق والتحكم العملي في التكلفة بدلاً من مجرد المواصفات الفاخرة. سواء كنت بحاجة إلى منفاخ لصمامات الضغط العالي، أو أجهزة قياس التفريغ، أو أدوات الاختبار الدقيقة، يمكننا توفير النوع المناسب والتأكد من أنه يناسب الوظيفة. | |||||||||
العناصر القياسية والمخزون
نحن نحتفظ بمجموعة عملية من المنافيخ الدقيقة في المخزون لأخذ العينات السريعة وعمليات الإنتاج الصغيرة. فيما يلي المواصفات الشائعة التي ستجدها جاهزة للاستخدام أو جاهزة خلال فترة زمنية قصيرة:
| النطاق النموذجي للعنصر | / الملاحظات |
|---|---|
| المواد (المخزون) | برونز القصدير (CuSn)، برونز البريليوم (مكعب)، النحاس (CuZn)، الفولاذ المقاوم للصدأ (SS304، SS316L) |
| قطر | ~6–100 ملم (الأحجام القياسية المخزنة؛ أصغر أو أكبر حسب الطلب) |
| الطول / السكتة الدماغية | مطابقة لمتطلبات صمام أو شوط الأداة |
| رقائق / طبقات | 1-5 طبقات مشتركة (متعددة الطبقات تعمل على تحسين عمر التعب) |
| أنواع التصنيع | منفاخ مُشكل (مشكل بالهيدروجين/مُشكل على شكل لفة)، منفاخ ملحوم، منفاخ ملحوم بحافة |
| التجهيزات النهائية | نهايات مفتوحة، حلمات ملحومة، نهايات ملولبة، فلنجات (الأحجام الشائعة مخزنة) |
| الضغط / درجة الحرارة (نموذجي) | الضغط المنخفض إلى المتوسط للبرونز/النحاس؛ تقييمات أعلى مع SS أو سبائك خاصة؛ نطاق درجة الحرارة يعتمد على المادة |
| الاختبار | يتم إجراء فحص التسرب الأساسي وفحص الأبعاد على عناصر المخزون |
ملاحظات ونقاط صريحة:
غالبًا ما يتم استخدام منفاخنا من البرونز والقصدير والنحاس في أعمال تصنيع المعدات الأصلية للأدوات والصمامات حيث تكون هناك حاجة إلى التوصيل أو المقاومة المعتدلة للتآكل؛ يتم الاحتفاظ ببرونز البريليوم للتطبيقات التي تتطلب قوة ومرونة أعلى، ولكن يتم التحكم فيه بشكل أكبر بسبب التعامل مع السبائك؛ مخزون الفولاذ المقاوم للصدأ مخصص لحالات التآكل ودرجة الحرارة العالية. يحافظ المخزون على مهلة زمنية منخفضة، ولكن إذا كانت المواصفات الخاصة بك غير عادية للغاية فسننتقل عادةً إلى فترة تخصيص قصيرة.
خيارات التخصيص
أخبرنا بما تحتاجه بالفعل: تصنيف الضغط، وعدد الدورات، والوسائط، وتفاصيل التثبيت، وسنقترح عليك التصميم المناسب. تتضمن خيارات التخصيص النموذجية ما يلي:
1. اختيار المواد
القصدير البرونزي (CuSn)، مقاومة جيدة للتآكل وأداء عام للتآكل؛ يشيع استخدامها في الآلات ومنفاخ الصناعية العامة.
برونز البريليوم (Cube)، قوة عالية، عمر تعب جيد، غالبًا ما يتم اختياره عندما تكون هناك حاجة إلى خصائص غير مغناطيسية أو عالية المرونة؛
ملاحظة: يتطلب التعامل مع سبائك البريليوم والتحكم فيها سلامة صارمة في مكان العمل وسنناقش ذلك معك.
الفولاذ المقاوم للصدأ (SS304، SS316L.ect)، الأفضل لدرجات الحرارة المرتفعة، والبيئات المسببة للتآكل، ونطاقات الضغط الأوسع؛ متوفرة في الإنشاءات الملحومة أو متعددة الطبقات.
تعمل السبائك عالية المرونة والمواد الخاصة الأخرى، مثل 1Cr18Ni9TiG، في نطاق درجة حرارة يتراوح بين 194 درجة مئوية إلى +400 درجة مئوية. إنها تمتلك قوة كلال الانحناء العالية ومقاومة التآكل، وتظهر أداء لحام جيد. يمكن استخدامها كعناصر قياس وختم وربط وتعويض في الوسائط المسببة للتآكل.
النحاس (CuZn)، فعال من حيث التكلفة لتطبيقات أدوات الضغط المنخفض إلى المتوسط؛ سهولة التصنيع والتشكيل.

2. رقائق / الجدار والهندسة
أحادية مقابل متعددة الطبقات (2-5 طبقات نموذجية). مزيد من الطيات ← عمر إجهاد أفضل وتحكم في المرونة، ولكن تكلفة أعلى وحجم داخلي أقل قليلاً.
عدد التموج والعمق - يؤثر على الصلابة والحركة المسموح بها. سوف نطابق تصميم التموج مع أهدافك في السكتة الدماغية ودورة الحياة.

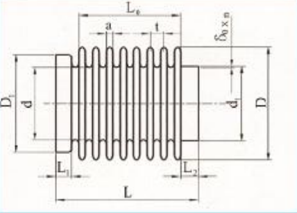
| D | القطر الخارجي |
| d | قطر داخلي |
| δ₀ | سمك جدار الطبقة الواحدة من الخوار |
| t | يقذف |
| a | سمك الموجة |
| n | عدد طبقات المنفاخ |
| L | الطول الكلي |
| لام₀ | الطول الفعال |
| L₁ | طول نهاية التركيب الداخلي |
| L₂ | طول نهاية التركيب الخارجي |
| د₁ | القطر الداخلي المناسب |
| د₁ | القطر الخارجي المناسب |
3. نهج التصنيع
مشكلة: مناسبة لأحجام معينة وتصميمات رقيقة الجدران.
منفاخ ملحوم: دقيق، مانع للتسرب، شائع في تطبيقات الأجهزة والفراغ.
ملحومة الحافة: تستخدم عندما تكون السلامة المحورية الكاملة وقدرة الضغط مطلوبة.
4. نهاية التوصيلات والتجهيزات
الحلمات الملحومة، أو الأطراف الملولبة، أو الشفاه، أو المحولات الخاصة بالعميل. يمكننا لحام الشفاه أو تركيب المحولات على الرسم الخاص بك.
5. الاختبار والشهادة
اختبار تسرب الهيليوم، واختبار دورة الضغط/التعب، وشهادات المواد (على سبيل المثال، آثار ASTM/ISO). إذا كنت بحاجة إلى معايير محددة (AS9100، PED، ISO 9001) أو تقارير اختبار للتأهيل، فسنقوم بتخطيط ذلك في العرض.
6. التعبئة والتغليف ووضع العلامات والتتبع
ترقيم الدُفعات، وإمكانية تتبع المواد، ومراجع EDI/PO، وتغليف OEM - كل ذلك متاح للطلبات المجمعة.
التطبيقات / الصناعات المقدمة
تخدم هذه المنافيخ المضاعفة الدقيقة أي تطبيق حيث تكون هناك حاجة إلى حركة محكمة الغلق أو متكررة أو عزل الضغط. تشمل القطاعات والاستخدامات النموذجية ما يلي:
التحكم في الصمامات والتدفق، تعويض المشغل، موازنة الضغط في صمامات التحكم لمحطات الطاقة والكيماويات ومعالجة المياه.
أدوات الاختبار والقياس، وأجهزة قياس الضغط، وأجهزة المعايرة، وأدوات القياس حيث يكون أداء التسرب المحكم وقابلية التكرار مهمًا.
أنظمة التفريغ والتبريد، منفاخ ملحوم لحركة مانعة للتسرب في غرف التفريغ والأجهزة.
معدات الطاقة والكيماويات، لتعويض التمدد الحراري، وحماية أجهزة الإرسال وأجهزة الاستشعار في الوسائط المسببة للتآكل.
مكونات السكك الحديدية والآلات الثقيلة المستخدمة في أنظمة المعدات الدارجة والصمامات الثقيلة؛ لاحظ تاريخ تعاوننا الحالي مع CRRC وشركاء الصناعة الآخرين.
الأجهزة الدقيقة OEM، تجميعات الأدوات الطبية، أجهزة الأتمتة الصناعية حيث يتم دمج منفاخ صغير الحجم وعالي الدقة.
تحتاج بعض التطبيقات إلى شهادات أو نظافة محددة للغاية (على سبيل المثال الفراغ أو الطب). إذا كانت هذه هي حالتك، فيرجى الإبلاغ عنها مبكرًا حتى نتمكن من تأكيد الجدوى والاختبارات المطلوبة.
