جدول المحتويات
ما هي مشابك العادم u-bolt
الأنواع والمواد الشائعة
كيفية قياس حجم المشبك قبل الشراء
كيفية تثبيت واستخدام مشابك عادم U-Bolt
ما مدى ضيقة مشابك u-bolt على أنابيب العادم؟
هل يمكن أن تتوقف المشابك u-bolt عن تسرب العادم؟
هل مشابك U-Bolt قابلة لإعادة الاستخدام؟
مشابك U-Bolt مقابل أنواع المشابك الأخرى
التطبيقات في الإعدادات السيارات والصناعية
الترتيب بالجملة: ما يجب على المشترين مراعاته
الأفكار النهائية
ما هي مشابك العادم u-bolt
عندما تعمل مع أنظمة العادم ، فإن واحدة من أبسط المكونات ولكن الأكثر أهمية التي ستواجهها هي مشبك عادم U-Bolt . التصميم واضح ومباشر: صاعقة على شكل حرف U ، سرج ، واثنين من المكسرات. ومع ذلك ، يلعب هذا الجزء الصغير دورًا رئيسيًا في الحفاظ على أنابيب متصلة ومختومة وآمنة.

في المركبات ، تتعرض أنابيب العادم باستمرار للحرارة والاهتزاز والتوسع. بدون اتصال موثوق به ، تخفف الأنابيب ، وتتطور التسريبات ، وتعاني الأداء. لهذا السبب لا يزال مشبك U-Bolt يستخدم على نطاق واسع في سيارات الركاب والشاحنات والحافلات والدراجات النارية والآلات الزراعية وحتى المولدات الثابتة.
على الرغم من أن تصميمات المشابك الأخرى قد ظهرت على مر السنين ، إلا أن مشابك U-Bolt لا تزال شائعة لأنها فعالة من حيث التكلفة وسهلة الاستخدام ، ومثبتة أنها تستمر.
الأنواع والمواد الشائعة
ليس كل مشابك العادم U-bolt مبنية كما هي. اعتمادًا على مكان وكيف تستخدمها ، ستحتاج إلى اختيار المادة والقوة المناسبة.
مشابك الفولاذ المطلية بالزنك : هذه هي النوع الأكثر شيوعًا ، وبأسعار معقولة وكافية للعديد من الإصلاحات اليومية. يقدم الطلاء مقاومة التآكل الأساسية.
مشابك U-Bolt من الفولاذ المقاوم للصدأ : أكثر متانة ، مصممة للعادم عالي الأداء أو البيئات القاسية. إنهم يقاومون الصدأ ، وهو أمر مهم إذا كنت في مناطق ذات طرق مالحة أو مناخات رطبة.
المشابك المقواة بالخدمة الشاقة : مصنوعة من الصلب الأكثر سمكًا ، مصممة للشاحنات والحافلات وأنظمة العادم الصناعية حيث يكون الاهتزاز أكثر كثافة.
بالنسبة للموزعين والميكانيكا ، يساعدك فهم هذه الاختلافات على التوصية بالمشبك المناسب لعملائك. بالنسبة للمشترين بالجملة ، فإن اختيار المواد الصحيحة يقلل أيضًا من مطالبات الضمان ويزيد من رضا العميل.
الصلب المطلي بالزنك
الفولاذ المقاوم للصدأ

الصلب أكثر سمكا
كيفية قياس حجم المشبك قبل الشراء
أحد أسئلة البحث الأكثر شيوعًا هو: كيفية قياس حجم المشبك؟ العملية بسيطة ، لكنها أيضًا واحدة من أكثر الأسباب شيوعًا لترتيب الأخطاء.
يجب عليك دائمًا قياس القطر الخارجي (OD) لأنبوب العادم الخاص بك ، وليس من الداخل. إذا كان قياس الأنبوب الخاص بك 2.5 بوصة OD ، فأنت بحاجة إلى مشبك U-Bolt 2.5 بوصة. سؤال PAA المتكرر هو: ما هو حجم مشبك U-Bolt الذي أحتاجه لأنبوب العادم 2.5 بوصة؟ -والجواب واضح ومباشر: مشبك 2.5 بوصة.
تفاصيل أخرى تستحق التحقق من حجم مؤشر ترابط البراغي. بينما يقرر قطر الأنبوب حجم المشبك ، يحدد قطر الخيط والملعب ما إذا كانت أدواتك ستعمل بكفاءة أثناء التثبيت. بالنسبة لورش العمل التي تتحول بين القياس والإمبراطوري ، فإن الحفاظ على مخطط التحويل يتجنب الارتباك.

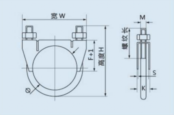
u-bolt المشبك التقني
| نوع المعلمة | الحجم Ø | الارتفاع ح | عرض W | length l | f | m | k | s |
A
| 36 | 63 | 63 | 25 | 28.5 | M8 | 15 | 2 |
| 38 | 64 | 64 | 25 | 29 | M8 | 15 | 2 |
| 42 | 65 | 70 | 25 | 31 | M8 | 15 | 2 |
| 45 | 73 | 73 | 30 | 33 | M8 | 15 | 2 |
| 48 | 77 | 76 | 30 | 34 | M8 | 15 | 2 |
| 50 | 79 | 78 | 30 | 36 | M8 | 15 | 2 |
| 54 | 83 | 82 | 30 | 37 | M8 | 15 | 2 |
| 58 | 87 | 86 | 30 | 40 | M8 | 15 | 2 |
| 63.5 | 75 | 92 | 30 | 43 | M8 | 15 | 2 |
| 65 | 94 | 93 | 30 | 44 | M8 | 15 | 2 |
| 70 | 95 | 100 | 40 | 43 | M8 | 15 | 2 |
| 73 | 110 | 102 | 40 | 43 | M8 | 15 | 2 |
B
| 54 | 89 | 87 | 40 | 32 | M10 | 17 | 3 |
| 94 | 128 | 128 | 45 | 60 | M10 | 21 | 3 |
| 106 | 150 | 138 | 45 | 65 | M10 | 21 | 3 |
يمكن توفير المزيد من الحجم والمواد وفقًا لمتطلبات العملاء. أعلاه البيانات فقط للرجوع إليها.
كيفية تثبيت واستخدام مشابك عادم U-Bolt
يسأل العديد من المشترين أيضًا: كيفية تثبيت مشابك عادم U-Bolt؟ وكيفية استخدام مشابك u-bolt بشكل صحيح؟
عملية التثبيت ليست معقدة ، لكن بعض التفاصيل تحدث كل الفرق:
حرك المشبك على مفصل الأنابيب قبل التشديد.
ضع السرج بالتساوي على المفصل.
تشديد كلا المكسرات تدريجيا ، بالتناوب الجانبين للحفاظ على مستوى المشبك.
تحقق من التسريبات بمجرد تشغيل المحرك.
ما مدى ضيقة مشابك u-bolt على أنابيب العادم؟
يجب أن تشد حتى يصبح المفصل آمنًا ولكن غير محقّن. الإفراط في الإفراط يمكن أن يشوه الأنابيب ، أو يقيد التدفق ، أو حتى التسبب في تشققات. القاعدة الجيدة هي التوقف بمجرد أن يشعر المشبك دافئًا ولم يعد الأنبوب يتحول.
هل يمكن أن تتوقف المشابك u-bolt عن تسرب العادم؟
نعم ، يمكنهم إغلاق التسريبات البسيطة إذا تم تثبيتها بشكل صحيح. ومع ذلك ، إذا تم تآكل الأنبوب أو اختلافًا كبيرًا ، فلن يحل المشبك وحده المشكلة - فقد تحتاج إلى استبدال الأنبوب أو استخدام مشبك نطاق لختم أنظف.
هل مشابك U-Bolt قابلة لإعادة الاستخدام؟
هذا هو سؤال مشتري متكرر آخر. من الناحية النظرية ، يمكنك إعادة استخدامها إذا لم يكن المشبك مشوهًا أو صدأًا. في الممارسة العملية ، من الأفضل استخدام المشابك الجديدة عند إعادة تثبيت أنابيب العادم ، وخاصة في ورشة عمل احترافية. فهي غير مكلفة ، والمشابك الجديدة تضمن عقدًا أقوى.
مشابك U-Bolt مقابل أنواع المشابك الأخرى
غالبًا ما يقارن المشترين مشابك U-Bolt مع خيارات أخرى ويسألون: ما الفرق بين مشبك U-Bolt ومشبك الفرقة؟
مشابك U-Bolt : التكلفة المنخفضة ، قبضة قوية ، متوفرة على نطاق واسع. قد تجعيد الأنبوب قليلاً ، وهو أمر جيد للإصلاحات القياسية.
مشابك الفرقة : توفير ختم أكثر سلاسة دون تشويه الأنبوب. غالبًا ما يتم استخدامه عندما يكون مفصل نظيف مهمًا ، كما هو الحال في عمليات تثبيت عادم ما بعد البيع.
مشابك V-Band : خيار متطرف ، غالبًا ما توجد في مركبات الأداء. أنها تسمح بالتفكيك السريع ولكن تأتي بتكلفة أعلى.
إذا كنت تدير ورشة عمل أو توزيع أجزاء للمركبات اليومية ، فإن مشابك U-Bolt عادة ما تكون الخيار الأكثر عملية. المشابك الفرقة و V-band هي أكثر ملاءمة للتطبيقات المتخصصة.
مشبك عصابة العادم
مشبك الفرقة الخامس
التطبيقات في الإعدادات السيارات والصناعية
في حين أن معظم الناس يربطون المشابك u-bolt مع أنظمة عادم السيارات ، إلا أنها شائعة أيضًا في الصناعات الأخرى.
سيارات وشاحنات الركاب : تستخدم في اتصالات العادم الأصلية واستبدال ما بعد البيع.
المركبات الشاقة : الشاحنات والحافلات والآلات الزراعية حيث الاهتزاز والحمل أعلى.
المولدات والمحركات الصناعية : أنظمة العادم الثابت التي تتطلب مفاصل آمنة.
معدات البناء : الجرافات ، الحفارات ، وغيرها من الآلات التي تعمل في بيئات متربة عالية الاهتزاز.
بسبب هذا التنوع ، تكون المشابك U-Bolt دائمًا مطلوبة-ليس فقط لإصلاحات السيارات DIY ، ولكن أيضًا للموزعين الذين يخدمون صناعات متعددة.
الترتيب بالجملة: ما يجب على المشترين مراعاته
إذا كنت موزعًا أو موردًا للمرآب أو تاجر الجملة ، فإن شراء مشابك العادم U-Bolt بكميات كبيرة يتطلب أكثر من مجرد اختيار الحجم المناسب. سترغب أيضًا في التفكير في:

التعبئة والتغليف -معبأة ، معبأة بشكل كبير ، أو تعبئتها بشكل فردي اعتمادًا على نموذج المبيعات الخاص بك.
التخصيص - السروج الأكثر سمكًا أو البراغي الممتدة أو العلامات التجارية المختومة إذا كنت تريد التمايز في السوق المحلي.
غالبًا ما نرى أوامر متكررة من الموزعين الذين اختبروا دفعات صغيرة لأول مرة وتوسيعوا لاحقًا إلى حلول مخصصة. من خلال التعامل مباشرة مع الشركة المصنعة ، يمكنك مواءمة الإنتاج مع احتياجاتك في السوق.
الأفكار النهائية
لذا ، هل ما زالت مشابك عادم U-Bolt ذات صلة في سوق اليوم؟ الجواب نعم. إنها تظل واحدة من الحلول الأكثر فعالية من حيث التكلفة وموثوق بها على نطاق واسع لتوصيل أنابيب العادم.
إذا كنت تعرف كيفية قياس حجم المشابك U ، وفهم كيفية تثبيتها واستخدامها بشكل صحيح ، واختيار المواد المناسبة ، فإن هذه المشابك ستخدم عملائك جيدًا. بالنسبة للمشترين بالجملة ، يضمن العمل مباشرة مع المصنع إمدادات ثابتة ومراقبة الجودة وخيار طلب مواصفات مخصصة.
إذا كنت تفكر في الطلبات بالجملة ، فقم بإلقاء نظرة على مشابك العادم U-Bolt الخاصة بنا ، أو استكشف مجموعة مشبك العادم الأوسع ، أو قم بزيارة صفحة المصنع الرئيسية لمناقشة خيارات التوريد المصممة لعملك.